Do you need water heater installation and maintenance in Woodinville, WA?

We got you covered!

If you have problems with leaky pipes, damaged pipes, or your water heater stopped working, don’t waste time with stingy companies that will charge you a fortune and will not solve your plumbing problems. As the days go by, that leaky pipe can become a severe problem for your house or that water heater that makes strange noises and seems about to explode!

Call us right now at (425) 386-4481 to receive an estimate and hire our 24-hour plumbing service. Let the best plumbing company in Woodinville, WA, care for your home plumbing, and enjoy our affordable plumbing service!

When it comes to water heaters, we are your best option!

Water heaters have become a necessity for the vast majority of US families. Having hot water provides comfort and has also been scientifically proven that bathing with hot water facilitates circulation and relaxes muscle tension. There is nothing better than taking a shower with hot water before sleeping to relax and forget the day’s stress.

But the other side of the coin is not so good. Imagine coming home, and when you turn on the tap, the hot water doesn’t come out. Sounds pretty bad, right? Unfortunately, water heater problems are more common than you might think.

Water heaters require a lot of attention and maintenance so that they always work correctly. Whether they are solar, gas, or electric heaters, none is exempt from suffering a malfunction and condemning you to cold water hell.

If you have problems with your water heater, contact us immediately! Our local plumbers are experts in the repair and maintenance of all types of water heaters. We offer you top-ranked plumbing service throughout the Woodinville, WA area. Contact us today!

shutterstock_192039461

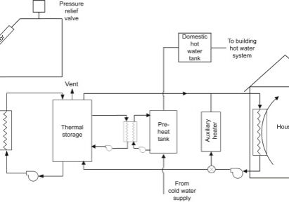
Do you know what solar water heaters are?

Solar heaters are devices that convert solar energy into heat. In this way, the sun’s energy is transformed directly into heat on a surface that, when in contact with the fluid (water, air, oil), causes it to heat up.

Solar heaters are composed of a system that allows the sun to heat the water that is pumped into the home directly. In this sense, we can differentiate between active and passive water heater systems.

Active solar heaters

The systems of this type of heaters use pumps so that the water can circulate through a series of pipes placed in the solar panels.

In active solar heaters with a direct circulation system, automatic controllers detect when sunlight is collected. It is usually used in areas with warmer temperatures, which do not reach below zero.

While active heaters with an indirect circulation system do withstand sub-zero temperatures, it is a more expensive system that can also be used for solar heating applications other than hot water pipes, such as heating a swimming pool.

Microsoft Word - CH0009_FigAll Figures_Krishnan_v1_Orig_FINAL
Solar-Panels-on-roof

Passive solar heaters

Passive solar water heating systems use a storage tank and a solar collection tank, in which hot water can be stored for later use.

Passive heaters with integral passive collector storage systems are recommended for homes with significant hot water needs, as they have a good storage tank. It is more suitable for areas that do not drop below zero degrees.

For its part, passive solar heaters with thermosiphon systems are reliable, ideal for people with high hot water needs and suitable for sub-zero temperatures.

Advantages of solar heaters

The main advantage of these heaters that take advantage of solar energy is that they allow a clean and efficient heating of water. It is the ideal alternative in areas that receive a lot of light since it is about taking advantage of free, abundant and non-polluting energy. Approximately 80% of solar radiation is capable of being converted into thermal energy.

In addition, it is a system with a great return on the initial investment, with significant savings in electricity on monthly bills.

AdobeStock_144780729-1024x682

Also, note that it is a non-intrusive system, that it does not produce much noise and that it is very easy to maintain. It will only be necessary to circulate a water softener through the pipes every three years.

These heaters will only need one or two solar panels. And in the case of passive methods, a little space for the storage tank.

If you need help installing a solar water heater, or any other type of water heater in Woodinville, WA, contact us immediately. We put expert local plumbers at your disposal; try our affordable plumbing service today!


Did you know…?

These are the most common problems with pipes:

Obstruction in the drain: Commonly, all the water elements that you have in your bathrooms or kitchens will have a drain. It is a piece that collects the water and channels it through the pipes that also has a siphon (an element responsible for avoiding bad odors and not letting any type of solid mass pass into the pipes). When it becomes clogged, either with food debris or sediment, this prevents the water from flowing freely through the pipe.

Bad odors: This is a very common problem that is usually due to the bad habit of disposing of waste through the drains, most often in sinks with food remains. If this is your case, it is best to stop doing it if you do not want to find a bad smell (very unpleasant) emerging from the pipes.

Low water flow: If you have detected a low flow of water through your pipes, pay attention. In the best of cases, it may be a situation that you can solve by opening the stopcock a little more, however, the cause could also be the accumulation of incrustations or remains of waste and therefore, a possible jam.

Dirty water: Another common problem that you can find in your pipes has to do with the appearance of dirty or brown water when opening the taps. It is a common situation when we spend some time without opening a stopcock or when the internal rust in the pipes has already reached its maximum point.

Let us show you what the best plumbing company has to offer! Give us a call today!

GET IN TOUCH

    [recaptcha]

    Are you replacing your homes water heater in King County, WA?

    Give the experts at Bellevue Plumber, Sewer, Septic, Electric, & HVAC a call any day of the week!

    Call Us
    Email Us
    CALL NOW